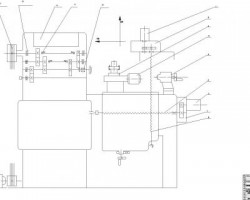
C618数控车床的主传动系统设计(AutoCAD.Mechanical设计,dwg格式)

详细说明
  • 软件名称:AutoCAD
  • 软件格式:dwg
  • 参数编辑:无参数













C618数控车床的主传动系统设计

举报收藏 0打赏 0评论 0
下载地址


您还没有登录,请登录后查看详情



0网友评论文明上网理性发言,请遵守《网络评论服务协议》

下载声明

本网页所展示的信息由会员自行提供并对其真实性、准确性和合法性负责,本平台(本网站)仅提供展示服务,本平台采用积分下载机制,初心为免费下载,因租用下载服务器价格昂贵,为此我们使用积分下载机制,你所购买的并不是模型的费用,而是模型下载流量费,免费下载可以网站发布信息及推广网站赚取积分,下载前请知晓和理解,对此本平台(本网站)不承担任何模型技术责任,如模型有问题,我们会及时退回积分!

联系方式

在您的合法权益收到侵害时,欢迎您向admin@ecmould.com邮箱发送邮件,或  【网站留言】  我们将竭诚为您服务,感谢您对中模在线网的关注与支持!

设计师档案

ID:
4527
等级:
LV2级别
模龄:
10年
访问:
4026次
位置:
上海
当前:
离线
453
模型
0
粉丝
0
关注